
- +44 (0) 118 940 1101 | Mon-Fri: 8am-5pm
- Worldwide Delivery Service
Find a Classic Ferrari Part Schematic
Searching Schematics for Model 348 TB
Found Schematics(106)
-
-
Table 5 - Timing - Tappets
Timing System & Electrics
-
Table 6 - Timing - Controls
Timing System & Electrics
-
Table 7 - Air Injection - Ignition - Motronic 2.5
Front Suspension
-
Table 7a - Air Injection - Ignition - Motronic 2.7
Front Suspension
-
Table 8 - Air Injection Device - Motronic 2.5
Front Suspension
-
Table 8a - Air Injection Device - Motronic 2.7
Front Suspension
-
Table 9 - Fuel Pump And Pipes
Front Suspension
-
Table 10 - Fuel Tank
Front Suspension
-
Table 11 - Antievaporation Device - Valid For Catalytic Vehicles And Sa
Front Suspension
-
Table 11a - Gasoline Vent System - Not For Catalytic Vehicles
Front Suspension
-
Table 12a - Manifolds And Air Intake - Motronic 2.5
Exhaust Manifolds & System
-
Table 12b - Manifolds And Covers - Motronic 2.7
Exhaust Manifolds & System
-
Table 13 - Throttle Housing And Linkage
Exhaust Manifolds & System
-
Table 14 - Exhaust System - Not For Catalytic Vehicles
Exhaust Manifolds & System
-
Table 14a - Exhaust System - Valid For Catalytic Vehicles - Not For Usa Spyder
Exhaust Manifolds & System
-
Table 14b - Exhaust System - Valid For Catalytic Vehicles - For Usa Spyder
Exhaust Manifolds & System
-
Table 15 - Blow - By System
Exhaust Manifolds & System
-
Table 17 - Lubrication System
Distributors & Electrics
-
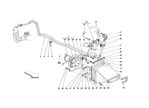
Table 18 - Cooling System
Coolant System
-
Table 19 - Cooling System Radiators
Coolant System
-
Table 20 - Water Pump
Coolant System
-
Table 22 - Clutch Release Control - Not For Rhd
Distributors & Electrics
-
Table 22a - Clutch Release Control - Valid For Rhd
Distributors & Electrics
-
Table 24 - Gearbox Covers
Transmission & Final Drive
-
Table 27 - Inside Gearbox Controls
Transmission & Final Drive
-
Table 29 - Differential And Axle Shaft
Transmission & Final Drive
-
Table 30 - Throttle Pedal And Brake Hydraulic System - Valid For Rhd
Wheels & Braking
-
Table 30a - Brake Hydraulic System - Not For Rhd
Wheels & Braking
-
Table 32 - Brake System (With Antiskid)
Wheels & Braking
-
Table 34 - Hand-Brake Control
Wheels & Braking
-
Table 35 - Steering Box And Linkage
Pedals, Suspension & Steering
-
Table 36 - Steering Column
Pedals, Suspension & Steering
-
Table 37 - Front Suspension - Shock Absorber And Brake Disc - Valid Till Car Ass. Nr. 8798
Pedals, Suspension & Steering
-
Table 37a - Front Suspension - Shock Absorber And Brake Disc - Valid From Car Ass. Nr. 8799
Pedals, Suspension & Steering
-
Table 38 - Front Suspension - Wishbones
Pedals, Suspension & Steering
-
Table 39 - Rear Suspension - Shock Absorber And Brake Disc - Valid From Car Ass. Nr. 8799
Pedals, Suspension & Steering
-
Table 39a - Rear Suspension - Shock Absorber And Brake Disc - Valid Till Car Ass. Nr. 8798
Pedals, Suspension & Steering
-
Table 40 - Rear Suspension - Wishbones
Pedals, Suspension & Steering
-
Table 41 - Wheels
Wheels & Braking
-
Table 42 - Current Generator (Valid Till Engine Nr. 30737) - Battery
Timing System & Electrics
-
Table 42a - Current Generator (Valid From Engine Nr. 30738) - Battery
Timing System & Electrics
-
Table 43 - Air Conditioning Compressor
Racecar Call Demo Category
-
Table 101 - Body - General Units
Body & Lighting
-
Table 103 - Central Part Structures
Body & Lighting
-
Table 104 - Frame - Rear Part Elements
Body & Lighting
-
Table 105 - Roof - Outer Trims
Body & Lighting
-
Table 106 - Body - Outer Trims
Body & Lighting
-
Table 107 - Passengers Compartment Insulations - Valid For Tb - Valid Till Car Nr. 94909 Ts And Nr. 94268 Usa Ts
Body & Lighting
-
Table 107a - Passengers Compartment Insulations - Valid For Ts - Valid From Car Nr. 94910 Ts And Nr. 94269 Usa Ts
Body & Lighting
-
Table 108 - Passengers Compartment Carpets - Valid For Tb - Valid Till Car Nr. 94909 Ts And Nr. 94268 Usa Ts
Body & Lighting
-
Table 108a - Passengers Compartment Carpets - Valid For Ts - Valid From Car Nr. 94910 Ts And Nr. 94269 Usa Ts
Body & Lighting
-
Table 109 - Front Compartments Carpets
Body & Lighting
-
Table 110 - Roof Trims - Valid For Ts
Body & Lighting
-
Table 110a - Roof Trims - Valid For Tb
Body & Lighting
-
Table 111 - Front Hood
Body & Lighting
-
Table 112 - Opening Device For Front Hood
Body & Lighting
-
Table 113 - Rear Hood
Body & Lighting
-
Table 114 - Opening Devices For Rear Hood And Gas Door
Body & Lighting
-
Table 115 - Doors - Framework And Rear Mirror
Body & Lighting
-
Table 116 - Doors - Opening Control And Hinges
Body & Lighting
-
Table 117 - Doors - Glass Lifting Device
Body & Lighting
-
Table 118 - Doors - Inner Trims
Body & Lighting
-
Table 119 - Front Bumper
Body & Lighting
-
Table 120 - Rear Bumper
Body & Lighting
-
Table 121 - Glasses And Gaskets
Body & Lighting
-
Table 123a - Tunnel - Framework And Trims - Valid For Ts
Body & Lighting
-
Table 124 - Tunnel - Accessories - Valid Fortb - Shield With Cassette Box Version
Body & Lighting
-
Table 124a - Tunnel - Accessories - Valid For Tb - Door With Key Version-
Body & Lighting
-
Table 125 - Tunnel - Accessories - Valid For Ts - Set Holder Without Door Version
Interior & Instruments
-
Table 125a - Tunnel - Accessories - Valid For Ts - Door With Key Version
Interior & Instruments
-
Table 126a - Dashboard - Structure And Supports - Not For Usa From M.Y. 90
Interior & Instruments
-
Table 126c - Dashboard - Trim And Accessories - Not For Usa From M.Y. 90
Interior & Instruments
-
Table 127 - Instruments
Interior & Instruments
-
Table 128 - Front And Rear Lights
Body & Lighting
-
Table 129 - Lights Lifting Device And Headlights
Body & Lighting
-
Table 130 - Windshield Wiper And Movement
Body & Lighting
-
Table 131 - Glass Washer And Horns
Body & Lighting
-
Table 132 - Electrical System - Not For Usa
Interior & Instruments
-
Table 132a - Electrical System - Valid For Usa
Interior & Instruments
-
Table 134 - Evaporator Unit And Passengers Compartment Aerating
Racecar Call Demo Category
-
Table 135 - Air Conditioning System
Racecar Call Demo Category
-
Table 1 - Crankcase
Distributors & Electrics
-
Table 3 - R.H. Cylinder Head
Distributors & Electrics
-
Table 4 - L.H. Cylinder Head
Distributors & Electrics
-
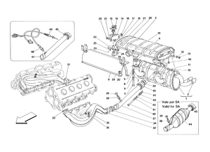
Table 12 - Air Intake - Motronic 2.7
Front Suspension
-
Table 16 - Lubrication - Pumps And Oil Sumps
Distributors & Electrics
-
Table 21 - Clutch - Single And Double Disc
Distributors & Electrics
-
Table 21a - Clutch - Controls
Distributors & Electrics
-
Table 23 - Gearbox - Differential Housing And Intermediate Casing
Transmission & Final Drive
-
Table 25 - Main Shaft Gears
Transmission & Final Drive
-
Table 26 - Lay Shaft Gears
Transmission & Final Drive
-
Table 28 - Outside Gearbox Controls
Transmission & Final Drive
-
Table 33 - Calipers For Front And Rear Brakes
Wheels & Braking
-
Table 44 - Equipment - Horizontal Bag
Kits, Units and Generic Parts
-
Table 44a - Equipment - Vertical Bag
Kits, Units and Generic Parts
-
Table 102 - Front Part Structures
Body & Lighting
-
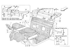
Table 122 - Passive Safety Belts System
Interior & Instruments
-
Table 122a - Seats And Safety Belts - Not For Cars With Passive Safety Belts - Valid Till Car Ass. Nr. 5277
Interior & Instruments
-
Table 122b - Seats And Safety Belts - Not For Cars With Passive Safety Belts - Valid Till Car Ass. Nr. 5278
Interior & Instruments
-
Table 122c - Seats And Safety Belts -Valid For Cars With Passive Safety Belts - Valid From Car Ass. Nr. 5298
Interior & Instruments
-
Table 122d - Seats And Safety Belts -Valid For Cars With Passive Safety Belts - Valid From Car Ass. Nr. 5299
Interior & Instruments
-
Table 123 - Tunnel - Framework And Trims - Valid For Tb
Interior & Instruments
-
Table 126 - Dashboard - Structure And Supports - Valid For Usa From M.Y. 90
Interior & Instruments
-
Table 126b - Dashboard - Trim And Accessories - Valid For Usa From M.Y. 90
Interior & Instruments
-
Table 133 - Electrical Boards
Interior & Instruments
Need Help With Your Order?
Call Our Sales Team On: +44 (0) 118 940 1101
- Office hours: Monday to Friday, 8am to 5pm
- Email: parts@gtoengineering.com
- Contact Us Online