Heater Control Lever 275/330
£ 181.50
The Ferrari 275 GTB/2 coupe was first introduced with a body by Scaglietti in 1964. The coachwork was built in both aluminium and standard steel material. A series two version with a longer nose appeared in 1965.
The Ferrari 275 GTB 2 Cam model came in short nose, long nose and torque tube variations, clothed in steel and lightweight aluminium coachwork and a limited series of competition configurations. GTO have worked on all these variants and we know the models intimately and stock a vast range of parts for these models.
The Ferrari 275 GTS model used the same basic running gear with an attractive open spyder body.
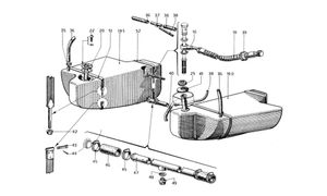
GTO Parts sell a range of Classic Ferrari 275 GTB and 275 GTS parts - look at the 51 Ferrari 275 GTB parts diagrams below and contact us if the parts you require for this model are not shown in stock.
Please note this is just a selection of Ferrari parts we have for this model.
Either CLICK HERE for a full range of Ferrari 275 GTB-GTS 2cam parts we have in stock OR use the schematics below to help you identify the parts you require.
If you need help with your parts enquiry please contact us
£ 181.50
£ 114.95
£ 4250.00
£ 4400.00
£ 124.18
£ 32.43
£ 98.25
£ 393.25
£ 659.21
£ 20.07
£ 16.95
£ 10.59
Click on a Schematic to view the Items & Parts to Enquire about.
Call Our Sales Team On: +44 (0) 118 940 1101
Changing site culture will clear any items add to you your Quote. Do you wish to continue?
Changing site culture will clear any items add to you your Quote. Do you wish to continue?
Part Added to Quote