
Handbrake Cable Rear 355
£ 43.95
A development of the 348 model - the Ferrari 355 was produced from May 1994 to 1999. Early cars were fitted with the Bosch Motronic 2.7 ECU for the 1995 models and in 1996 till 1999 were changed to the Bosch M5.2 ECU.
In addition to styling revisions and an increase in capacity the model featured an increase in capacity to 3495 cc and most significantly the introduction of a 5 valve head resulting in 380 BHP
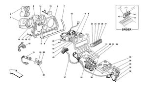
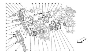
GTO Parts sell a range of Ferrari 355 GTB Motronic 2.7 model parts - look at the 95 Ferrari 355 GTB parts diagrams below and contact us if the parts you require for this model are not shown in stock.
Please note this is just a selection of Ferrari parts we have for this model.
Either CLICK HERE for a full range of Ferrari 355 2.7 parts we have in stock OR use the schematics below to help you identify the parts you require.
If you need help with your parts enquiry please contact us
£ 43.95
£ 1.64
£ 92.00
Price on Enquiry
£ 114.90
£ 65.95
£ 42.22
£ 2323.20
£ 1149.50
£ 4598.00
£ 3509.00
£ 1028.50
Click on a Schematic to view the Items & Parts to Enquire about.
Call Our Sales Team On: +44 (0) 118 940 1101
Changing site culture will clear any items add to you your Quote. Do you wish to continue?
Changing site culture will clear any items add to you your Quote. Do you wish to continue?
Part Added to Quote