Skip to content

  • +44 (0) 118 940 1101  |  Mon-Fri: 8am-5pm
  • Worldwide Delivery Service

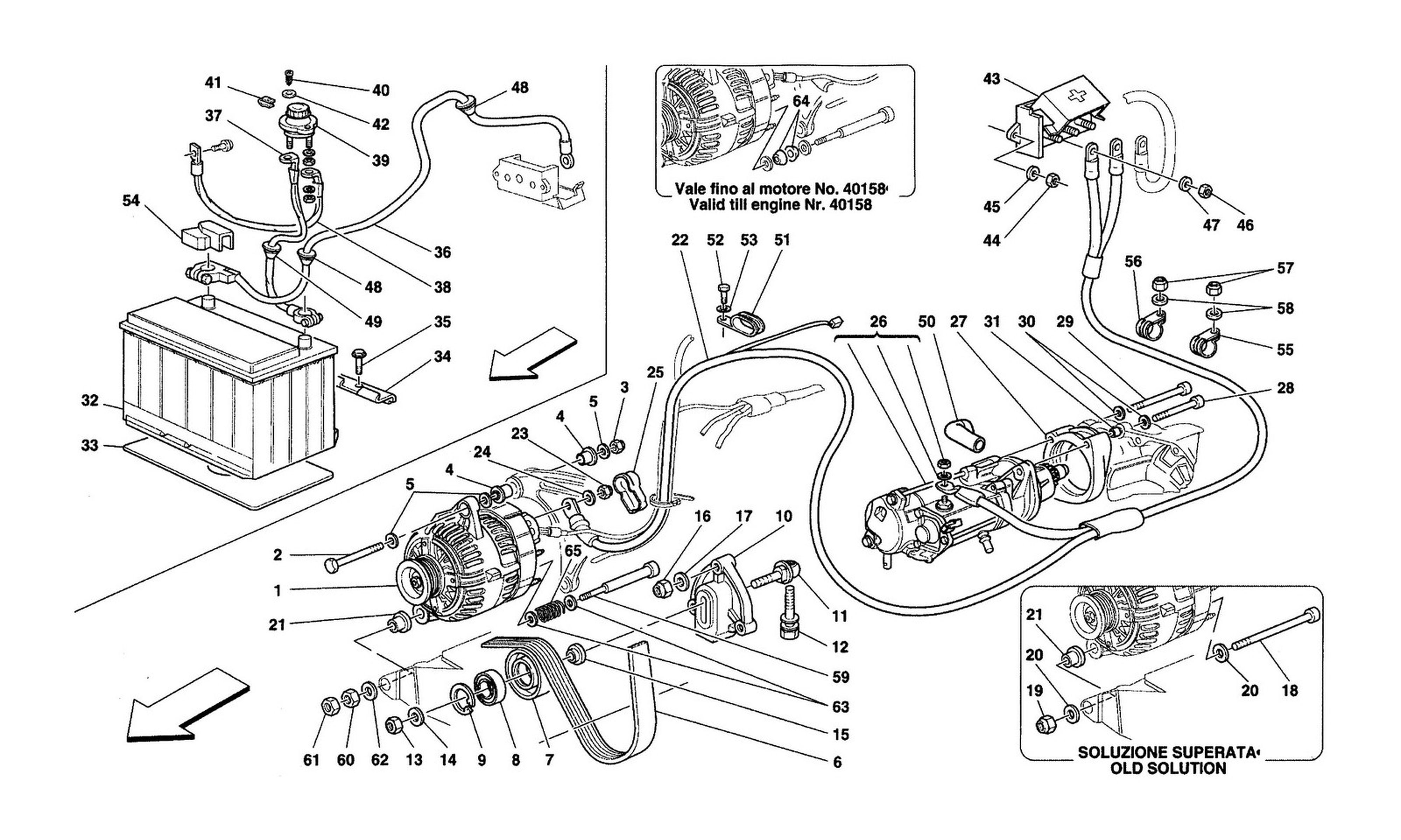
Current Generator - Starting Motor - Battery

 
Schematic: Current Generator - Starting Motor - Battery
Loc
Part
Cond       Price
1
140 A. ALTERNATOR
158047 (1) Full qty
2
SCREW
15971321 (1) Full qty
3
New       £ 0.65
102742 (1) Full qty
FS00203n
4
ESTENDBLOCK
163834 (2) Full qty
5
Washer
13550421 (3) Full qty
6
New       £ 20.52
199833 (1) Full qty
GE00032n
7
New       £ 278.52
148632 (1) Full qty
EL99763n
8
New       Price on Enquiry
123350 (1) Full qty
TC14010n
9
Seeger ring
11060076 (1) Full qty
10
BELT TIGHTENING SUPPORT BRACKE…
153687 (1) Full qty
11
New       £ 120.41
148630 (1) Full qty
EL00351n
12
New       £ 9.63
157289 (1) Full qty
TC14205n
13
New       £ 3.56
148020 (1) Full qty
FS00201n
14
WASHER
10730721 (1) Full qty
15
SPACER
158180 (1) Full qty
16
New       Price on Enquiry
101139 (3) Full qty
GB10400n
17
Do Not Use - See GE07667n
12601374 (3) Full qty
17
New       £ 0.12
12601374 (3) Full qty
CH11905n
18
SCREW
14360234 (1) Full qty
19
New       £ 0.65
102742 (1) Full qty
FS00203n
20
Washer
126648 (2) Full qty
21
BUSHING
160877 (1) Full qty
21
BUSHING
164467 (1) Full qty
22
ALTERNATOR-STARTER MOTOR- TER…
157506 (1) Full qty
23
NUT
16102324 (1) Full qty
24
Do Not Use - See GE07667n
12601374 (1) Full qty
24
New       £ 0.12
12601374 (1) Full qty
CH11905n
25
PROTECTIVE CAP
154803 (1) Full qty
26
STARTER MOTOR
155166 (1) Full qty
27
STARTER MOTOR SUPPORT
155873 (1) Full qty
28
Screw
16044521 (2) Full qty
29
Screw
16045021 (1) Full qty
30
Do Not Use - See GE07667n
12601374 (3) Full qty
30
New       £ 0.12
12601374 (3) Full qty
CH11905n
31
Dowel
100041 (2) Full qty
32
BATTERY 12V-70AH 400A
157496 (1) Full qty
32
BATTERY 12V-74AH 400A
188066 (1) Full qty
33
ANTI-VIBRATIONS PAD
63653600 (1) Full qty
34
New       Price on Enquiry
62573400 (1) Full qty
EL99430n
35
SCREW
13837411 (1) Full qty
36
BATTERY TO FRONT TERMINAL BOX …
160894 (1) Full qty
36
BATTERY TO FRONT TERMINAL BOX …
157502 (1) Full qty
37
BATTERY-CUT OUT SWITCH CONNEC…
157505 (1) Full qty
38
COPPER PLAIT FROM SWITCH TO E…
153128 (1) Full qty
39
New       £ 94.55
139607 (1) Full qty
EL99614n
40
SCREW
15688275 (2) Full qty
41
Spring
61067800 (2) Full qty
42
Washer
12637806 (2) Full qty
43
TERMINAL BLOCK
170114 (1) Full qty
44
NUT
62790300 (2) Full qty
45
WASHER
10519224 (2) Full qty
46
New       Price on Enquiry
101139 (3) Full qty
GB10400n
47
Do Not Use - See GE07667n
12601374 (3) Full qty
47
New       £ 0.12
12601374 (3) Full qty
CH11905n
48
CABLE BUSHING
149043 (2) Full qty
49
CABLE BUSHING
149043 (1) Full qty
50
Cap
124683 (1) Full qty
51
Bracket
126672 (1) Full qty
52
Screw
10902011 (1) Full qty
53
WASHER
12604274 (1) Full qty
54
Protection cap for positive cl…
144727 (1) Full qty
55
Bracket
10441790 (1) Full qty
56
Bracket
10441690 (1) Full qty
57
Nyloc Nut 6 x 1 x 7.6mm
102948 (2) Full qty
58
Washer 1.6mm 6.4x11.95x1.6
10519424 (2) Full qty
59
SCREW
166563 (1) Full qty
59
Screw
130431 (1) Full qty
59
SCREW
164463 (1) Full qty
60
NUT
10791021 (1) Full qty
61
NUT
149719 (1) Full qty
62
Washer
126648 (1) Full qty
63
WASHER
12642521 (2) Full qty
63
WASHER
164469 (2) Full qty
64
WASHER
11190574 (2) Full qty
65
Exhaust Clamp Spring 246+
111743 (1) Full qty

Need Help With Your Order?

Call Our Sales Team On: +44 (0) 118 940 1101