Skip to content

  • +44 (0) 118 940 1101  |  Mon-Fri: 8am-5pm
  • Worldwide Delivery Service

Lubrication System

 
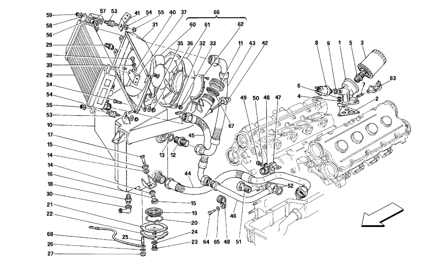
Schematic: Lubrication System
Loc
Part
Cond       Price
1
Oil filter base
138348 (1) Full qty
2
Gasket
137579 (1) Full qty
3
Ferrari F40 Oil Filter Adapter…
130623 (1) Full qty
4
Do Not Use - See GE07667n
12601374 (3) Full qty
4
New       £ 0.12
12601374 (3) Full qty
CH11905n
5
Union for filter
124229 (1) Full qty
6
Nut
16104111 (3) Full qty
7
Probes securing stud
13539021 (1) Full qty
8
New       £ 94.00
135940 (1) Full qty
EL11682n
8
New       Price on Enquiry
135940 (1) Full qty
EL99384n
9
New       Price on Enquiry
10259960 (1) Full qty
SU11780n
10
Oil tank
136380 (1) Full qty
11
Cap
142790 (1) Full qty
12
Union
138150 (1) Full qty
13
New       Price on Enquiry
144487 (1) Full qty
GB10464n
14
New       £ 8.29
107978 (6) Full qty
SU12063n
15
Cup
107979 (6) Full qty
16
New       £ 4.83
107980 (3) Full qty
SU12065n
17
Screw
123029 (3) Full qty
18
New       £ 64.90
107576 (1) Full qty
SU11612n
19
New       Price on Enquiry
122429 (1) Full qty
SU11642n
20
New       £ 19.31
103944 (1) Full qty
SU11424n
20
New       Price on Enquiry
103944 (1) Full qty
SU11718n
21
New       Price on Enquiry
139631 (1) Full qty
CS11548n
22
Cover
139627 (1) Full qty
23
Threaded Plug 575 Oil Tank
10300711 (1) Full qty
24
New       Price on Enquiry
10257060 (1) Full qty
CC11524n
24
New       £ 0.52
10257060 (1) Full qty
SM99909n
25
Stud bolt
11500621 (4) Full qty
26
New       Price on Enquiry
12601274 (4) Full qty
CC11576n
27
Nut
12574211 (4) Full qty
28
Oil radiator
138385 (1) Full qty
29
New       Price on Enquiry
123277 (1) Full qty
SU11714n
30
New       Price on Enquiry
107003 (1) Full qty
EL99222n
31
Electro-fan cap
140809 (1) Full qty
32
Washer
14496401 (4) Full qty
33
Nut
12574211 (4) Full qty
34
Screw
10902324 (4) Full qty
35
Washer
14496401 (4) Full qty
36
Nut
12574211 (4) Full qty
37
Front bracket
140801 (1) Full qty
38
Screw
10902211 (4) Full qty
39
Washer
106850 (4) Full qty
40
Washer
14496401 (4) Full qty
41
Rear bracket
140802 (1) Full qty
42
Oil level rod
141963 (1) Full qty
43
Radiator to tank pipe
140313 (1) Full qty
44
Tank/delivery pump connection …
140311 (1) Full qty
45
Flexible pipe from motor to ra…
140312 (1) Full qty
46
Non-flexible pipe from motor t…
142198 (1) Full qty
47
Bracket
140723 (1) Full qty
48
Bracket with sheath
10442090 (2) Full qty
49
Nut
12574211 (1) Full qty
50
Washer
10519421 (1) Full qty
51
Union
129809 (1) Full qty
52
New       Price on Enquiry
144487 (2) Full qty
GB10464n
53
Fuel Pump Mounting
102947 (3) Full qty
53
New       Price on Enquiry
102947 (3) Full qty
GE00644n
54
Flat Washer
12643701 (6) Full qty
55
Nut
12574211 (6) Full qty
56
Bracket
143232 (1) Full qty
57
Screw
10902324 (1) Full qty
58
Flat Washer
12643701 (1) Full qty
59
Nut
12575411 (1) Full qty
60
Fan
143544 (1) Full qty
61
Conveyor
143545 (1) Full qty
62
Fan motor
143543 (1) Full qty
63
Block
141818 (1) Full qty
64
Screw
10902011 (1) Full qty
65
Washer
12644421 (1) Full qty
66
Electrofan complete
140808 (1) Full qty
67
Gasket for cap
142792 (1) Full qty
68
Cable
125365 (1) Full qty

Need Help With Your Order?

Call Our Sales Team On: +44 (0) 118 940 1101