Skip to content

  • +44 (0) 118 940 1101  |  Mon-Fri: 8am-5pm
  • Worldwide Delivery Service

Air Intake Manifold And Air Box

 
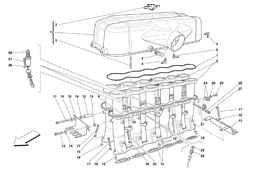
Schematic: Air Intake Manifold And Air Box
Loc
Part
Cond       Price
1
COMPLETE PLENUM CHAMBER
191038 (1) Full qty
2
CAVALLINO RAMPANTE
196001 (1) Full qty
3
STUD
11500824 (18) Full qty
4
UNION
195510 (2) Full qty
5
UNION
195508 (4) Full qty
6
UNION
195509 (2) Full qty
7
GASKET
190716 (2) Full qty
8
COMPLETE SUCTION MANIFOLD
186402 (2) Full qty
9
NUT
159601 (18) Full qty
10
FRONT SENSORS FIXING BRACKET
185659 (1) Full qty
11
SCREW
14305587 (1) Full qty
12
SPACER
169037 (1) Full qty
13
SCREW
14305187 (1) Full qty
14
New       Price on Enquiry
12644424 (4) Full qty
CS12006n
14
Used       Price on Enquiry
12644424 (4) Full qty
CS12006u
15
REAR SENSORS FIXING BRACKET
185660 (1) Full qty
16
GASKET
184647 (4) Full qty
17
SCREW
14305624 (8) Full qty
18
New       Price on Enquiry
11197774 (24) Full qty
GE35524n
19
New       Price on Enquiry
102725 (8) Full qty
EL99607n
20
SCREW -M6 X 30-
14305524 (16) Full qty
21
STUD
11500124 (12) Full qty
22
THREADED UNION
182426 (2) Full qty
23
Gasket
10261060 (2) Full qty
24
Hose fastening bracket
10441490 (11) Full qty
24
Bracket
10441790 (3) Full qty
25
SCREW -M6 X 14-
14305724 (2) Full qty
26
New       Price on Enquiry
11197774 (2) Full qty
GE35524n
27
Nut
102741 (12) Full qty
28
WASHER
14496424 (12) Full qty
29
VARIATOR CONTROL SOLENOID VALV…
186563 (2) Full qty
30
SCREW -M6 X 14-
14305724 (2) Full qty
31
New       Price on Enquiry
11197774 (2) Full qty
GE35524n

Need Help With Your Order?

Call Our Sales Team On: +44 (0) 118 940 1101