Skip to content

  • +44 (0) 118 940 1101  |  Mon-Fri: 8am-5pm
  • Worldwide Delivery Service

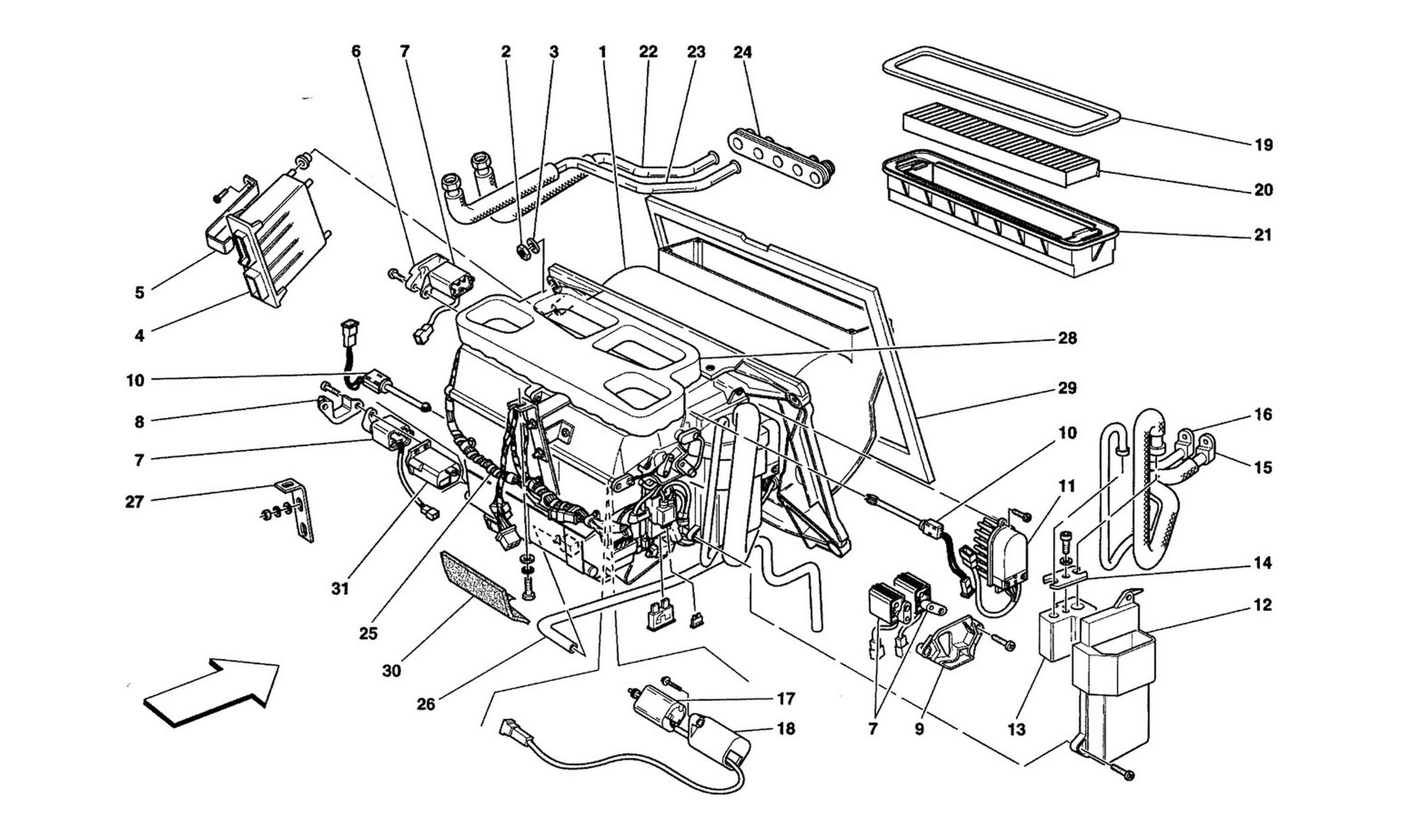
Evaporator Unit

 
Schematic: Evaporator Unit
Loc
Part
Cond       Price
1
COMPLETE EVAPORATOR GROUP
68070700 (1) Full qty
1
COMPLETE EVAPORATOR SET
65878700 (1) Full qty
1
COMPLETE EVAPORATOR GROUP
68070600 (1) Full qty
2
NUT
147985 (4) Full qty
3
Washer
12646724 (4) Full qty
4
COMPLETE BRAKE FLUID RESERVOIR…
204068 (1) Full qty
5
ECU FASTENING BRACKET
66159300 (1) Full qty
6
FRONT COMPARTMENT LID ACTUATOR…
66207600 (1) Full qty
7
ACTUATOR
66207300 (4) Full qty
8
FLOOR COMPARTMENT LID ACTUATOR…
66207400 (1) Full qty
9
FROST PROTECTION COMPARTMENT L…
66159100 (1) Full qty
10
PROCESSED AIR TEMPERATURE SENS…
68154200 (2) Full qty
10
THERMICAL FEELER
65066600 (2) Full qty
11
New       Price on Enquiry
64280200 (1) Full qty
AC00274n
12
EVAPORATOR BATTERY COVER
66158300 (1) Full qty
13
EXPANSION VALVE
63960100 (1) Full qty
14
uPPER FLANGE
64281500 (1) Full qty
15
A.C. GROUP PIPE
66157900 (1) Full qty
16
EVAPORATOR PIPE
65229400 (1) Full qty
17
L.H. ELECTRIC MOTOR
64280900 (1) Full qty
18
ACTUATOR MOUNTING
66159000 (1) Full qty
19
GASKET
65258600 (1) Full qty
20
New       Price on Enquiry
65384300 (1) Full qty
AC00176n
21
A.C. GROUP MOBILE CONDUCT
65629700 (1) Full qty
22
WATER INLET PIPE
65229100 (1) Full qty
22
WATER INLET PIPE
66218700 (1) Full qty
23
WATER EXHAUST PIPE
66218800 (1) Full qty
23
WATER EXHAUST PIPE
65229200 (1) Full qty
24
TUBE GUIDE RUBBER PAD
65374100 (1) Full qty
25
A.C. GROUP ELECTRIC SYSTEM
65229900 (1) Full qty
26
DRAIN PIPE HOSE UNION
65230200 (1) Full qty
27
EVAPORATOR MOUNTING BRACKET
66159200 (1) Full qty
28
EVAPORATOR UPPER GASKET
65930900 (1) Full qty
29
A.C. GROUP GASKET SERIES
66207500 (1) Full qty
30
PLUG
159147 (1) Full qty
31
ACTUATOR MOUNTING
67014700 (1) Full qty

Need Help With Your Order?

Call Our Sales Team On: +44 (0) 118 940 1101