Skip to content

  • +44 (0) 118 940 1101  |  Mon-Fri: 8am-5pm
  • Worldwide Delivery Service

Gearbox (From Car No. 17543)

 
Schematic: Gearbox (From Car No. 17543)
Loc
Part
Cond       Price
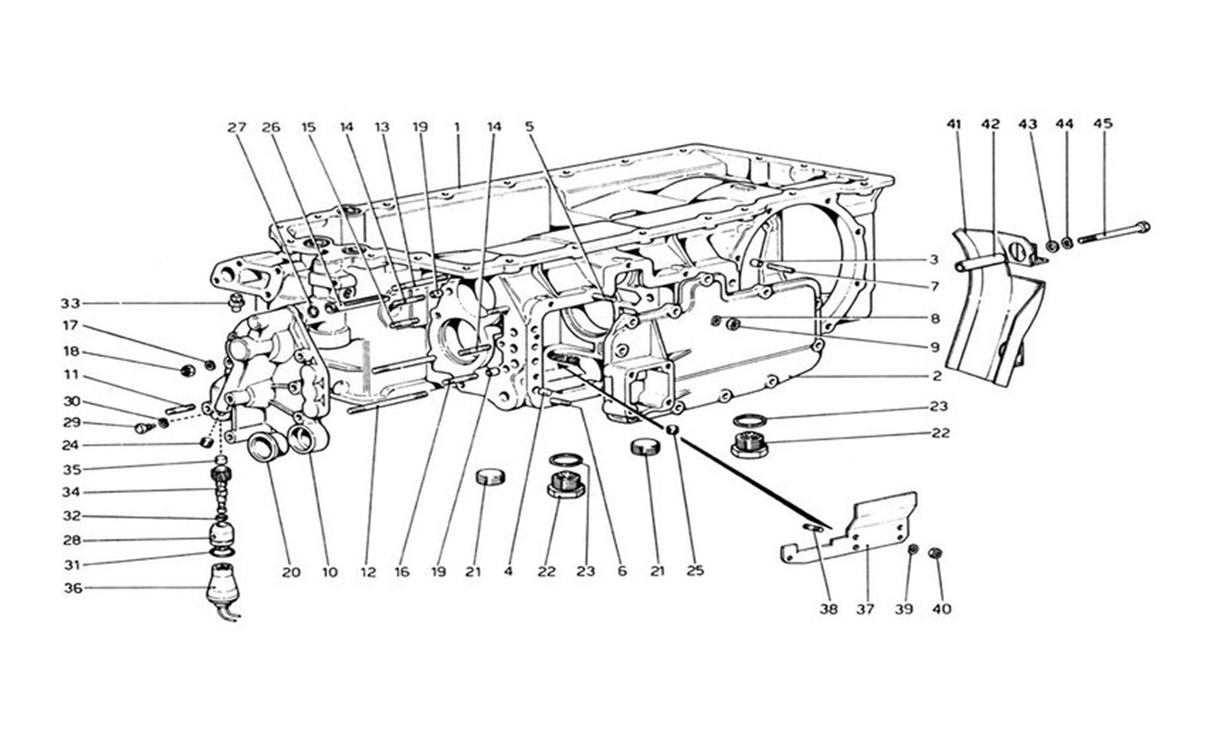
1
Scatola cambio
104599 (1) Full qty
1
Scatola cambio
106698 (1) Full qty
1
Scatola cambio
107442 (1) Full qty
1
Scatola cambio
107515 (1) Full qty
1
Scatola cambio
109669 (1) Full qty
2
Coperchio laterale scatola cam…
104662 (1) Full qty
2
Gearbox casing side cover
107450 (1) Full qty
3
Dowel
100041 (1) Full qty
4
Dowel
10839810 (1) Full qty
5
Stud
13517021 (6) Full qty
6
Stud
13516821 (5) Full qty
7
Stud
13517221 (1) Full qty
8
Washer
12601371 (12) Full qty
9
Nut
16100811 (12) Full qty
10
Coperchio anteriore
104663 (1) Full qty
11
Stud
13517221 (1) Full qty
12
Prigioniero lungo fissaggio co…
13518921 (2) Full qty
13
Stud
13518021 (1) Full qty
14
THREADED STUD
104752 (3) Full qty
15
Stud
13517021 (1) Full qty
16
Prigioniero sul grano
104753 (1) Full qty
17
Washer
12601371 (9) Full qty
18
Nut
16100811 (9) Full qty
19
Dowel
100041 (2) Full qty
20
Bushing on gearbox control rod…
103188 (1) Full qty
21
Plug for hole
10270050 (2) Full qty
22
Gear box and differential oil …
100826 (2) Full qty
23
New       Price on Enquiry
10265160 (2) Full qty
CC11532n
24
Vite senza testa
104754 (1) Full qty
25
Plug closing hole for gearbox …
104757 (2) Full qty
26
Vaschetta per introduzione oli…
104743 (1) Full qty
27
New       Price on Enquiry
101616 (1) Full qty
GE00254n
28
Corpo rinvio contachilometri
106340 (1) Full qty
28
Corpo rinvio contachilometri
107681 (1) Full qty
29
Bolt
101349 (1) Full qty
30
Washer
12601371 (1) Full qty
31
New       Price on Enquiry
101848 (1) Full qty
GB10134n
32
New       Price on Enquiry
104103 (1) Full qty
GE00416n
33
New       Price on Enquiry
13411990 (1) Full qty
AX22445n
34
Pignone per contaKm. R-8/14
106341 (1) Full qty
34
Pignone per contaKm. R-6/1 1
107014 (1) Full qty
35
Bottone reggispinta
105674 (1) Full qty
36
Generatore d'impulsi comando c…
106324 (1) Full qty
37
Used       Price on Enquiry
109781 (1) Full qty
GB10619u
38
Stud
13540721 (5) Full qty
39
Washer
10516471 (5) Full qty
40
Nut
15896221 (5) Full qty
41
Oil conveyor
109683 (1) Full qty
42
Conveyor supporting stud
109682 (2) Full qty
43
Washer
109684 (2) Full qty
44
Washer
106850 (2) Full qty
45
Screw
11032321 (2) Full qty

Need Help With Your Order?

Call Our Sales Team On: +44 (0) 118 940 1101